Welcome to Trekwood RV Parts & Supply - Your one stop shop for all your camping needs!
KEYSTONE REPLACEMENT PARTS
Show/Hide Search Options
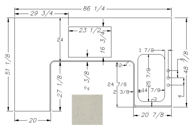
Cameo / 2018 / Decor / Solid Surface Countertop
Page 1 of 1
















Cart / Checkout






































































