Welcome to Trekwood RV Parts & Supply - Your one stop shop for all your camping needs!
KEYSTONE REPLACEMENT PARTS
Show/Hide Search Options
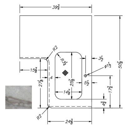
Longhorn / 2022 / Decor / Laminate/Pressed Countertop
Page 1 of 1














Cart / Checkout




































































