Welcome to Trekwood RV Parts & Supply - Your one stop shop for all your camping needs!
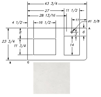
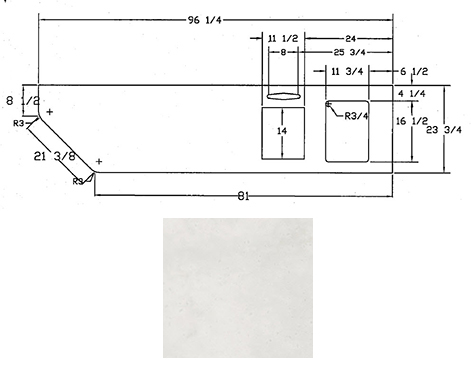
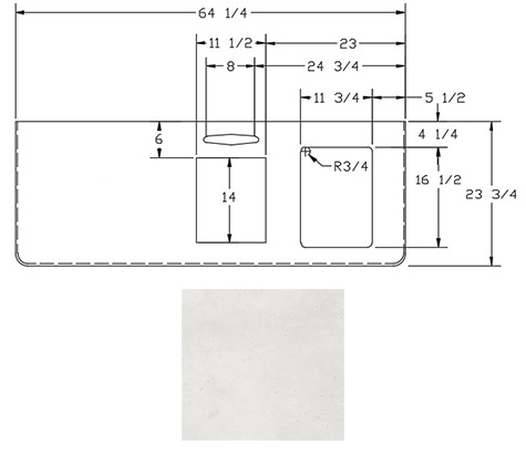
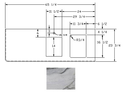
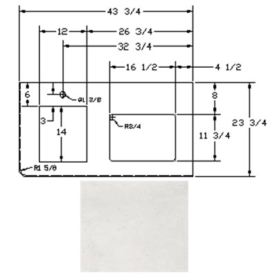
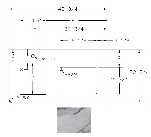
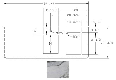
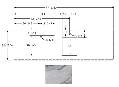
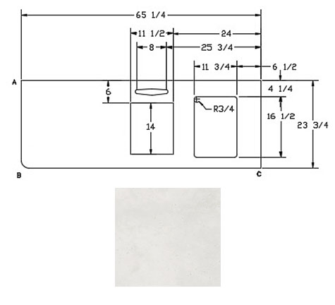
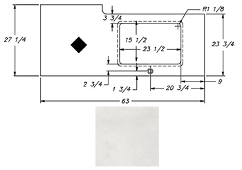
Springdale / 2021 / Decor / Pressed/Solid Surface Countertop (East)
Page 3 of 5
























Welcome to Trekwood RV Parts & Supply - Your one stop shop for all your camping needs!























